Вибромотор AVIBRO ADX 1100/15

Вибрационный мотор AVIBRO ADX 1100/15

162000 руб./шт
180000 руб./шт
Производитель
Avibro
Ключевые преимущества
Без скрытых платежей, Работа с юр. лицами, Поставка «под ключ»
Условия поставки
Минимальный заказ от 10 000 EUR

Вибромотор AVIBRO ADX 1100/15

Промышленный вибрационный привод с лапчатым креплением и регулируемыми эксцентриковыми массами. Сертифицирован ATEX для работы в пылевзрывоопасных средах зон 21 и 22.

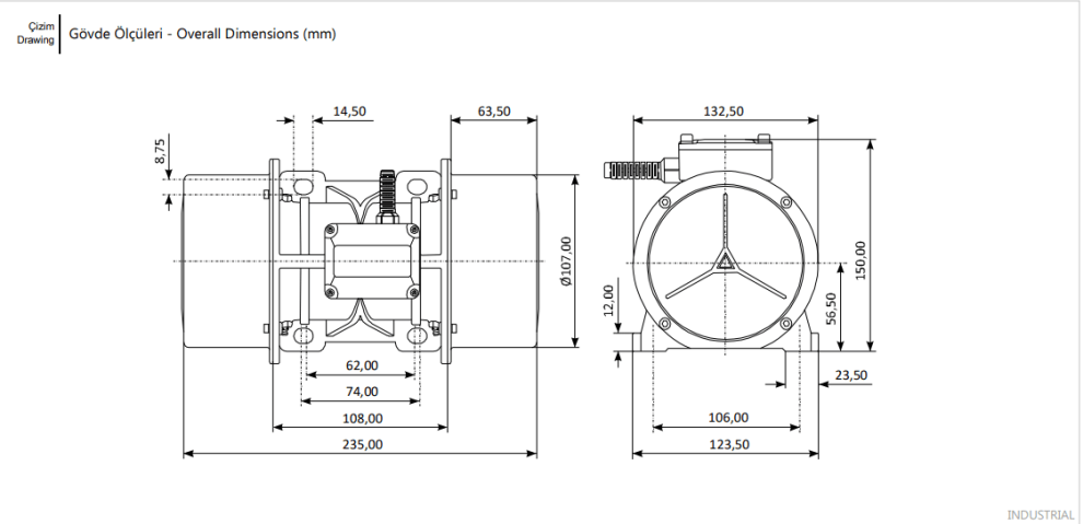
Технические параметры

Центробежная сила настраивается без разборки корпуса. Усиленные подшипники рассчитаны на непрерывную вибрационную нагрузку, обеспечивая длительный межсервисный интервал.

Вес мотора (50 Гц) — 42 кг

Вес мотора (60 Гц) — 34,1 кг

Входная мощность (50 Гц) — 520 Вт

Входная мощность (60 Гц) — 660 Вт

Входное напряжение (50 Гц) — 380-400 В

Входное напряжение (60 Гц) — 440-480 В

Изоляция — класс H

Класс защиты — IP65-67

Количество полюсов — 4.0

Количество фаз — 3.0

Номинальный ток при 115В (50 Гц) — 4,65 А

Номинальный ток при 115В (60 Гц) — 4,84 А

Номинальный ток при 220В (50 Гц) — 4,65 А

Номинальный ток при 220В (60 Гц — 4,84 А

Рабочий интервал — S1

Рабочий ток при 400В (50 Гц) — 0,81 А

Рабочий ток при 400В (60 Гц) — 0,88 А

Рабочий ток при 460В (50 Гц) — 0,81 А

Рабочий ток при 460В (60 Гц) — 0,88 А

Регулировка вибрации — от 0% до 100%

Скорость вращения (50 Гц) — 1500 об/мин

Скорость вращения (60 Гц) — 1800 об/мин

Статический момент (50 Гц) — 448,1 кгмм

Статический момент (60 Гц) — 294,6 кгмм

Центробежная сила (50 Гц) — 1127 кгс/11,05 кН

Центробежная сила (60 Гц) — 1067 кгс/10,46 кН

Достоинства вибромотора ADX 1100/15

Регулируемые эксцентрики

Центробежная сила настраивается без разборки корпуса. Один мотор адаптируется под разные типы оборудования и материалы.

Сертификация ATEX

Допуск к работе в пылевзрывоопасных зонах 21 и 22. Безопасная эксплуатация в горнодобыче, пищевой и химической промышленности.

Усиленные подшипники

Специальные подшипники рассчитаны на постоянную вибрационную нагрузку. Увеличенный межсервисный интервал снижает простои оборудования.

Сферы использования вибромотора ADX 1100/15

Горнодобывающая отрасль

Вибрационные грохоты, питатели и конвейеры для сортировки и транспортировки руды, щебня и песка.

Пищевая промышленность

Вибросита для муки, круп, специй и сахара. Сертификация ATEX допускает работу в пылевых средах.

Строительство

Уплотнение бетона, вибропрессование плитки и формование железобетонных изделий. Регулировка силы вибрации под материал.

Смотрите также: